通过一些应用案例可以证明采集速度或吞吐量的提高,同时也证明多束SEM与相应的样品制备方法是兼容的。多束SEM的典型着陆能量为1-3keV,典型像素尺寸为4-10 nm。电子光学装置的选择使单束之间的距离为12μm。每幅图像的x和y像素数以及像素大小与电子束距离无关,选择像素大小的目的是使图像之间有少量重叠,这就要求x和y之间的长宽比约为0.866。

在下面的案例中,61幅图像被合并成一幅大图像,在宽约100 μm 的六边形区域内包含多达500万像素。
对于生物组织的大体积研究,小鼠脑组织宏观体积的体积重建就是一个例子。为获得此类数据,有许多切片和成像解决方案。例如,可以使用腔内显微切片机从样品表面切除几纳米厚的切片。然后用奉节扫描电子显微镜对新暴露的样品表面进行成像。多次重复这一过程,可获得整个体积的数据集。也可以在平面基底上采集超薄切片,然后用扫描电镜成像。
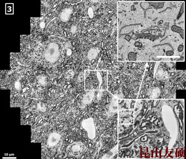
如图2和图3所示,多束扫描电镜与这两种方法都兼容。图2显示了锇染色小鼠大脑冠状切面上的一个子区域,拍摄位置约为 Bregma 1.5 毫米。图3显示了多束扫描电镜对锇染色小鼠脑块连续切片的采集。Hayworth等人(2006年)和 Tapia 等人(2012年)已经介绍了使用自动切片收集装置进行样品制备的方法。整个实验装置的设计高度自动化,能够可靠地获取大量电磁数据。图2和图3中的信号主要由SE1和SE2电子组成。

图 2 由马克斯-普朗克协会的Winfried Denk和 Shawn Mikula 采集的小鼠大脑皮层(块面),显示未髓鞘化的神经元和神经胶质过程以及神经元核(中左),由多束SEM以 0.45 GPixel/s和3.8 nm像素尺寸采集,总电流 26 nA,每个像素 270个电子,标尺10 μm。
在样品上蒸镀了一层 1-2 纳米的钯,以消除充电效应(Titze 和 Denk,2013)。在细胞过程中,线粒体、微管、突触和内质网清晰可见。右下插图:12 μm × 10 μm 单束子图像,多束全图细节,比例尺:5 μm。

图 3 哈佛大学Jeff Lichtman和Richard Schalek 采集的小鼠大脑皮层(连续超薄切片)样品,显示有髓鞘的轴突、浆膜、细胞体和树突,由多束SEM以0.45 GPixel/s 和3.8 nm像素大小采集,总电流 26 nA,每个像素 270 个电子,比例尺:10μm。将薄片置于导电表面,无需额外的导电涂层,从而减轻了样品充电效应。在细胞、树突和轴突内,线粒体和内质网等细胞器清晰可见。右下插图:12 μm × 10 μm单束子图像,多束全图细节,比例尺:5 μm。右上插图:3 μm × 2.6 μm 单束子图像细节,比例尺:1μm。
对组织或器官进行多个长度尺度的成像,通常需要直径达几厘米的样品。样品制备需要特别注意,以提供足够均匀的样品固定和表面光滑度。图4显示了人体股骨颈切片的多束SEM图像,该切片通常在髋关节置换手术过程中被丢弃。对组织进行切片,并在聚甲基丙烯酸甲酯中进行大块包埋,以备进行未脱钙组织学研究。树脂固化后,对表面进行修整和平滑,以便用SEM检查块面。

图4 新南威尔士大学的 Melissa Knothe Tate 和克利夫兰诊所的 Ulf Knothe 采集的股骨颈(PMMA 嵌入和抛光的块面)样品,显示了由骨毛细管组成的骨瘤,骨细胞同心环绕,由多束SEM以 0.18 GPixel/s 和 11.3 nm 像素尺寸采集,总电流40 nA,每像素420个电子,标尺:10 μm。右下插图:12 μm × 10 μm 单束子图像,完整多束图像的细节,显示一个骨细胞,比例尺:5 μm。
所有合成图像(图2-5)在所有子图像中都显示出足够的对比度,所有子图像的分辨率仅相差几个百分点。相邻电子束之间的串扰低于1%。为使多束SEM的成像能力得到大规模应用,最好能实现数据采集过程的自动化。

